CEC enclosure part numbers, Models 980, 983, 984
| Part name | Figure |
|---|---|
| CEC enclosure cables (external) | Figure 3 |
| CEC enclosure control panel | Figure 1 |
| CEC enclosure disk drive | Figure 1 |
| CEC enclosure disk drive backplane | Figure 2 |
| CEC enclosure Ethernet adapter | Figure 3 |
| CEC enclosure fan | Figure 2 |
| CEC enclosure I2C interface card assembly | Figure 3 |
| CEC enclosure memory module | Figure 2 |
| CEC enclosure PCIe two-port card | Figure 3 |
| CEC enclosure PCIe four-port card | Figure 3 |
| CEC enclosure power supply | Figure 3 |
| CEC enclosure processor module | Figure 2 |
| CEC enclosure RS-485 serial interface card | Figure 3 |
| CEC enclosure SAS RAID internal adapter | Figure 2 |
| CEC enclosure system backplane | Figure 2 |
| CEC enclosure card time-of-day battery | Figure 2 |
| CEC enclosure vital product data (VPD) card | Figure 2 |

| Location code | Part name | CCIN (see note) |
Part number |
|---|---|---|---|
| Un-D1 | CEC enclosure control panel assembly | 00E1966 | |
| Un-P1-T5 Un-P1-T6 |
Not used | ||
| Un-P2-D1 to D12 | CEC enclosure disk drive, 300 GB 15 K (512 block size) | 59E0 | 02YC612 |
| Un-P2-D1 to D12 | CEC enclosure disk drive, 300
GB 15 K (528 block size) Contact your next level of support before ordering this drive. 02YC612 is the preferred FRU. |
59E0 | 00E9912 |
| Un-P2-D15 | Not used | ||
|
Important: Read this entire note as there are exceptions to what part number to order.
The custom card identification number (CCIN) identifies the physical features and logical behavior
of a part. If two parts appear physically identical but have different CCINs, they are not
interchangeable unless stated elsewhere in the maintenance package or by the next level of support.
If two parts have different part numbers and yet have the same CCIN, they are interchangeable.
When you order a part number reported in a serviceable event or call home record, check whether the parts-ordering system has a conditional substitute for DS8000®. There are some exceptions where the part number on the DS8000 FRU part number is not the same one that is reported and called home. The part number that is reported and called home might be the original eServer™ part number that might have firmware that is not appropriate for DS8000. Order the DS8000 FRU part number to ensure that the correct firmware is present. |
|||

| Location code | Part name | CCIN (see note 1) |
Part number |
|---|---|---|---|
| Un-A1 Un-A2 Un-A3 Un-A4 Un-A5 Un-A6 |
CEC enclosure 60 mm fan assembly | 00FV726 | |
| Un-P1 | CEC enclosure system backplane
(8284-22A) (see note) (can be used at any DS8000 LIC bundle level) |
2CD6 | 98Y8724 01LT917 |
| Un-P1 | CEC enclosure system backplane (8284-22A) (see note) (requires DS8000 LIC bundle level 88.20.112.0 or later) |
2CD6 | 02AR651 |
| Un-P1-C13 | CEC enclosure vital product data (VPD) card (8284-22A) (see note) | 561C | 98Y6790 |
| Un-P1-C14 | CEC enclosure SAS RAID internal adapter | 57D7 | 00MH962 |
| Un-P1-C14-P1 Un-P1-C14-P2 |
CEC enclosure disk drive backplane SAS signal cable (short) | 00RR483 | |
| Un-P1-C15 | CEC enclosure card filler (SAS RAID) | 00FV454 | |
| Un-P1-C16 through Un-P1-C31 |
CEC enclosure memory module filler | 00FW990 | |
| Un-P1-C16 through Un-P1-C23 |
CEC enclosure memory module, 16 GB, 1600 MHz DDR3 | 31E8 (note 2) | 00VK192 |
| CEC enclosure memory module, 16 GB, 1600 MHz DDR4 CDIMM | 31EC (note 2) | 00VK247 | |
| Un-P1-C16 through Un-P1-C31 |
CEC enclosure memory module, 32 GB, 1600 MHz DDR3 | 31E9 (note 2) | 00VK194 |
| CEC enclosure memory module, 32 GB, 1600 MHz DDR4 CDIMM | 31ED (note 2) | 00VK291 | |
| Un-P1-C32 Un-P1-C33 |
CEC enclosure processor module FRU kit, 3.89 GHz, 6-core (8284-22A) (Kit includes processor module and replacement tools. Module cannot be ordered separately.) | 54E6 | 00FX522 |
| Un-P1-C32 Un-P1-C33 |
CEC enclosure processor module heat sink FRU kit (Kit includes heat sink and indium pad) | 00FV742 | |
| Un-P1-E1 | CEC enclosure time-of-day battery | 74Y9628 | |
| Un-P2 | CEC enclosure disk drive backplane | 2B09 | 00E1945 |
|
Note 1: Important: Read this entire note as there are exceptions to
what part number to order. The custom card identification number (CCIN) identifies the physical
features and logical behavior of a part. If two parts appear physically identical but have different
CCINs, they are not interchangeable unless stated elsewhere in the maintenance package or by the
next level of support. If two parts have different part numbers and yet have the same CCIN, they are
interchangeable.
When you order a part number reported in a serviceable event or call home record, check if the parts-ordering system has a conditional substitute for DS8000. There are some exceptions where the part number on the DS8000 FRU part number is not the same one that is reported and called home. The part number that is reported and called home might be the original eServer part number that might have firmware that is not appropriate for DS8000. Order the DS8000 FRU part number to ensure that the correct firmware is present. Note 2: Replace like-for-like. Do not mix DDR3 and DDR4 memory.
Note 3: System backplane and VPD card
are storage-unique parts. Do not use the server version.
|
|||

| Location code | Part name | CCIN1 | Part number |
|---|---|---|---|
| Un-E1 Un-E2 |
CEC enclosure power supply 1400 W | 2B1E | 01AF591 |
| Un-P1-C6 Un-P1-C7 |
CEC enclosure PCIe two-port card (Models 980, 984) | 2DE5 | 98Y7655 |
| Un-P1-C7 | CEC enclosure PCIe four-port card (Model 983) | 2E07 | 02AN629 |
| Un-P1-C8 | CEC enclosure I2C interface card assembly | 2DE7 | 98Y9137 |
| Un-P1-C10 | CEC enclosure Ethernet adapter (1 Gb four-port, FC 5260) | 576F | 00RX893 |
| Un-P1-C11 | Ethernet adapter (10 Gb and 1 Gb four-port, FC EN0N ) | 2CC0 | 00E3504 |
| Un-P1-C12 | CEC enclosure RS-485 serial interface card | 2DE6 | 98Y6578 |
| Un-P1-C1 Un-P1-C2 Un-P1-C3 Un-P1-C4 Un-P1-C5 Un-P1-C9 |
Not used | ||
| Un-P1-T3 Un-P1-T4 |
Not used | ||
| Un-P1-T1 Un-P1-T2 |
CEC enclosure Ethernet ports (part of Un-P1) |
| Location code | Part name | Part number |
|---|---|---|
| Un-P1-C6-T1 Un-P1-C6-T2 Un-P1-C7-T1 Un-P1-C7-T2 |
PCI cable FRUs, Models 980, 984, 98B, 84E | See Figure 4 and Table 7. |
| Un-P1-C6-T1 Un-P1-C6-T2 Un-P1-C7-T1 Un-P1-C7-T2 |
PCI cable FRUs, Model 984 all-flash | See Figure 5 and Table 8. |
| Un-P1-C8-T1 | RPC card to CEC enclosure I2C cable (RPC-1 to upper CEC) | 00YM692 |
| RPC card to CEC enclosure I2C cable (RPC-1 to lower CEC) | 00YM693 | |
| Un-P1-C8-T2 | RPC card to CEC enclosure I2C cable (RPC-2 to upper CEC) | 00YM694 |
| RPC card to CEC enclosure I2C cable (RPC-2 to lower CEC) | 00YM695 | |
| Un-P1-C10-T1 | Ethernet cable (SW1 to upper CEC XC1 LPAR, black) | 00YM686 |
| Ethernet cable (SW1 to lower CEC XC2 LPAR, black) | 00YM687 | |
| Un-P1-C10-T2 | Ethernet cable (SW2 to upper CEC XC1 LPAR, gray) | 00YM690 |
| Ethernet cable (SW2 to lower CEC XC2 LPAR, gray) | 00YM691 | |
| Un-P1-C12-T1 | RPC card to CEC enclosure serial cable (RPC-1 to upper CEC) | 00YM696 |
| RPC card to CEC enclosure serial cable (RPC-1 to lower CEC) | 00YM697 | |
| Un-P1-C12-T2 | RPC card to CEC enclosure serial cable (RPC-2 to upper CEC) | 00YM698 |
| RPC card to CEC enclosure serial cable (RPC-2 to lower CEC) | 00YM699 | |
| Un-P1-T1 | Ethernet cable (SW1 to upper CEC XC1 system backplane, black) | 00YM684 |
| Ethernet cable (SW1 to lower CEC XC2 system backplane, black) | 00YM685 | |
| Un-P1-T2 | Ethernet cable (SW2 to upper CEC XC1 system backplane, gray) | 00YM688 |
| Ethernet cable (SW2 to lower CEC XC2 system backplane, gray) | 00YM689 |
| Location code | Part name | Part number |
|---|---|---|
| Un-P1-C7-T1 Un-P1-C7-T2 Un-P1-C7-T3 Un-P1-C7-T4 |
PCI cable FRUs, Model 983 | See Figure 6, Table 9, Figure 7, and Table 10. |
| Un-P1-C8-T1 | RPC card to CEC enclosure I2C cable (RPC-1 to upper CEC) | 02AN255 |
| RPC card to CEC enclosure I2C cable (RPC-1 to lower CEC) | 02AN256 | |
| Un-P1-C8-T2 | RPC card to CEC enclosure I2C cable (RPC-2 to upper CEC) | 02AN257 |
| RPC card to CEC enclosure I2C cable (RPC-2 to lower CEC) | 02AN258 | |
| Un-P1-C10-T1 | Ethernet cable (SW1 to upper CEC XC1 LPAR, black) | 02AN244 |
| Ethernet cable (SW1 to lower CEC XC2 LPAR, black) | 02AN245 | |
| Un-P1-C10-T2 | Ethernet cable (SW2 to upper CEC XC1 LPAR, gray) | 02AN249 |
| Ethernet cable (SW2 to lower CEC XC2 LPAR, gray) | 02AN250 | |
| Un-P1-C12-T1 | RPC card to CEC enclosure serial cable (RPC-1 to upper CEC) | 02AN259 |
| RPC card to CEC enclosure serial cable (RPC-1 to lower CEC) | 02AN260 | |
| Un-P1-C12-T2 | RPC card to CEC enclosure serial cable (RPC-2 to upper CEC) | 02AN261 |
| RPC card to CEC enclosure serial cable (RPC-2 to lower CEC) | 02AN262 | |
| Un-P1-T1 | Ethernet cable (SW1 to upper CEC XC1 system backplane, black) | 02AN242 |
| Ethernet cable (SW1 to lower CEC XC2 system backplane, black) | 02AN243 | |
| Un-P1-T2 | Ethernet cable (SW2 to upper CEC XC1 system backplane, gray) | 02AN247 |
| Ethernet cable (SW2 to lower CEC XC2 system backplane, gray) | 02AN248 |

| From CEC R1-XC1 | To Rack 1 I/O Enclosure | Cable FRU part number |
|---|---|---|
| R1-XC1-P1-C7-T1 | (1B3) R1-XI3-P1-C7-T1 | 00YM656 |
| R1-XC1-P1-C7-T2 | (1B4) R1-XI4-P1-C7-T1 | 00YM656 |
| From CEC R1-XC1 | To Rack 2 I/O Enclosure | Cable FRU part number |
| R1-XC1-P1-C6-T1 | (2B3) R2-XI3-P1-C7-T1 | 00YM656 |
| R1-XC1-P1-C6-T2 | (2B4) R2-XI4-P1-C7-T1 | 00YM656 |
| From CEC R1-XC2 | To Rack 1 I/O Enclosure | Cable FRU part number |
| R1-XC2-P1-C7-T1 | (1B3) R1-XI3-P1-C7-T2 | 00YM656 |
| R1-XC2-P1-C7-T2 | (1B4) R1-XI4-P1-C7-T2 | 00YM656 |
| From CEC R1-XC2 | To Rack 2 I/O Enclosure | Cable FRU part number |
| R1-XC2-P1-C6-T1 | (2B3) R2-XI3-P1-C7-T2 | 00YM656 |
| R1-XC2-P1-C6-T2 | (2B4) R2-XI4-P1-C7-T2 | 00YM656 |
| From CEC R1-XC1 | To Rack 1 I/O Enclosure | Cable FRU part number |
|---|---|---|
| R1-XC1-P1-C6-T1 | (1B1) R1-XI1-P1-C7-T1 | 00YM656 |
| R1-XC1-P1-C6-T2 | (1B2) R1-XI2-P1-C7-T1 | 00YM656 |
| R1-XC1-P1-C7-T1 | (1B3) R1-XI3-P1-C7-T1 | 00YM656 |
| R1-XC1-P1-C7-T2 | (1B4) R1-XI4-P1-C7-T1 | 00YM656 |
| From CEC R1-XC2 | To Rack 1 I/O Enclosure | Cable FRU part number |
| R1-XC2-P1-C6-T1 | (1B1) R1-XI1-P1-C7-T2 | 00YM656 |
| R1-XC2-P1-C6-T2 | (1B2) R1-XI2-P1-C7-T2 | 00YM656 |
| R1-XC2-P1-C7-T1 | (1B3) R1-XI3-P1-C7-T2 | 00YM656 |
| R1-XC2-P1-C7-T2 | (1B4) R1-XI4-P1-C7-T2 | 00YM656 |
| From CEC R1-XC1 | To Rack 1 I/O Enclosure | Cable FRU part number |
|---|---|---|
| XC1-P1-C7-T1 | 1G3-P1-C1-T5 | 02AN274 |
| XC1-P1-C7-T4 | 1G4-P1-C8-T5 | 02AN274 |
| From CEC R1-XC2 | To Rack 1 I/O Enclosure | Cable FRU part number |
| XC2-P1-C7-T1 | 1G3-P1-C1-T6 | 02AN274 |
| XC2-P1-C7-T4 | 1G4-P1-C8-T6 | 02AN274 |
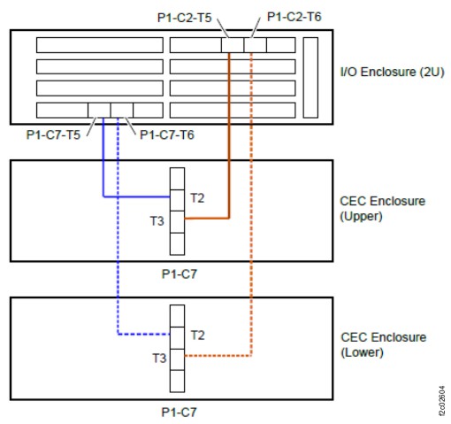
| From CEC R1-XC1 | To Rack 1 I/O Enclosure | Cable FRU part number |
|---|---|---|
| XC1-P1-C7-T2 | 1G3-P1-C7-T5 | 02AN274 |
| XC1-P1-C7-T3 | 1G4-P1-C2-T5 | 02AN274 |
| From CEC R1-XC2 | To Rack 1 I/O Enclosure | Cable FRU part number |
| XC2-P1-C7-T2 | 1G3-P1-C7-T6 | 02AN274 |
| XC2-P1-C7-T3 | 1G4-P1-C2-T6 | 02AN274 |