Ethernet cables, Model 951
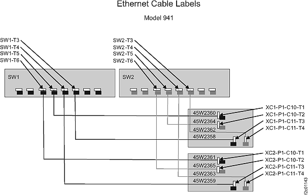
Use the point-to-point cabling diagram below to route Ethernet cables in a Model 951. Note that the diagram displays "Model 941" in the title, but it applies to Model 951 too.

Use the point-to-point cabling diagram below to route Ethernet cables in a Model 951. Note that the diagram displays "Model 941" in the title, but it applies to Model 951 too.
