Exchange the CEC enclosure I/O backplane
Before you begin
CAUTION:
This assembly contains mechanical moving parts. Use care when
you service this assembly. (C025)
Use approved ESD procedures to prevent damage.
Attention:
- This procedure is not a stand-alone procedure. Customer disruption and damage to the hardware might occur when microcode and power boundaries are not in the proper conditions for this service action.
- If a serviceable event FRU repair directed you to this procedure, the microcode and power boundaries are already set.
- If a serviceable event FRU repair did not direct you to this procedure, see MAP1230 Replace a FRU without using a serviceable event.
Notes:
- All the cables and FRUs to be removed must be uniquely identified so they can be reinstalled correctly.
- If an installed earthquake resistance kit prevents you from accessing this FRU, refer to MAP1600.
Preparing the CEC enclosure to remove and replace the I/O backplane
Procedure
- Use a replacement part with a valid DS8000® part number to ensure it has the proper firmware, VPD, or configuration to ensure it is compatible with the DS8000 service procedures. Attempting to use a generic server FRU might fail and require next level of support to recover.
-
All parts being removed must be marked or identified so they can be installed into their
original locations.
Note: Failure to do this can extend the service duration and may require next level of support assistance.
- The management console keyboard can be moved between the operating and stowed position as needed to allow service clearance above the CEC enclosure.
-
Use the front and rear blue identify LEDs to determine the CEC enclosure to be repaired. Both
blue LEDs should be lit.
- CEC control panel blue identify LED
as shown
in Figure 1. - CEC enclosure rear blue identify LED
as shown
in Figure 2.
Note: If both the front and rear CEC enclosure identify LEDs are not lit, use the location code listed in the serviceable event FRU list. See MAP1245 Finding FRUs by using location codes.Figure 1. Control panel LEDs 
Figure 2. CEC enclosure rear LEDs
- CEC control panel blue identify LED
-
Verify that the CEC enclosure is in the power-off state. See Figure 3
- At the rear of the CEC enclosure, view all CEC enclosure power supply DC LEDs.
-
Are all DC (output) LEDs flashing?
- Yes, continue with the next step.
- No, do not continue with this FRU replacement. Go to MAP4841 CEC enclosure fails to power off during service processor repair (Models 961, 98x).
Figure 3. Location of the power supplies and LEDs (Model 982)
-
Attach the electrostatic discharge (ESD) wrist strap.
Attention:
- Attach an electrostatic discharge (ESD) wrist strap to an unpainted metal surface of your hardware to prevent the electrostatic discharge from damaging your hardware.
- When using an ESD wrist strap, follow all electrical safety procedures. An ESD wrist strap is used for static control. It does not increase or decrease your risk of receiving electric shock when using or working on electrical equipment.
- If you do not have an ESD wrist strap, just before removing the product from ESD packaging and installing or replacing hardware, touch an unpainted metal surface of the system for a minimum of 5 seconds.
-
Disconnect the power cords
from the
CEC with the DC (output) LEDs flashing. See Figure 4.
Notes:- Ensure the power cords are correctly labeled.
- The power supply LEDs might continue to flash for up to 20 seconds while internal power is discharged.
- The power cord is fastened to the system using the hook-and-loop fastener
. Unstrap
the fastener to allow the enclosure to be placed in the service position.
Figure 4. Removing the power cords (Models 982, 988) 
-
Observe the CEC enclosure control panel green power button LED
. See
Figure 5.
- If it is off, go to the next step.
- If it is flashing, the CEC enclosure is still in the power-off state. DO NOT CONTINUE. Ensure that you have unplugged the power cables.
Figure 5. Control panel LEDs 
-
Disconnect all remaining cables from the rear of the CEC enclosure. See Table 1 and Figure 6.
Table 1. CEC enclosure cable connections Connection Description P1-C2-T1, P1-C2-T2 PCIe to I/O enclosures (if C2 present) P1-C3-T1, P1-C3-T2 PCIe to I/O enclosures (if C3 present) P1-C5-T4 (HMC port 1) FSP Ethernet P1-C5-T5 (HMC port 2) FSP Ethernet P1-C6-T1, P1-C6-T2 i2c to RPCs P1-C7-T1, P1-C7-T2 RS485 to RPCs P1-C8-T1, P1-C8-T2 PCIe to I/O enclosures P1-C10-T1, P1-C10-T2 PCIe to I/O enclosures P1-C11-T1, P1-C11-T2 LPAR Ethernet P1-C11-T3, P1-C11-T4 Customer network (optional feature, if used) P1-C12-T1, P1-C12-T2
P1-C12-T3, P1-C12-T4Customer network (optional feature, if used) -
Remove filler plugs (if present) at the rear of the CEC enclosure. See Figure 6.
- Remove the filler plugs (if present) from USB ports P1-T1, P1-T2, P1-C5-T1, P1-C5-T2 and serial port P1-C5-T3.
- Remove the filler plugs (if present) from Ethernet ports P1-C11-T3 and P1-C11-T4.
- Remove the filler plugs (if present) from Ethernet ports P1-C12-T1, P1-C12-T2, P1-C12-T3, and P1-C12-T4.
Figure 6. CEC enclosure location codes (rear view) (Model 982)
-
Remove the front cover.
CAUTION:A hot surface nearby.

- Ensure that you have the electrostatic discharge (ESD) wrist strap attached. If not, attach it now.
-
Place your fingers on the indentations and pull the latches
located
on both sides of the cover.
-
Pull the cover
away from the system.
Figure 7. Removing the front cover 
-
Place the CEC enclosure into the service position.
Note:
- When placing the enclosure into the service position, ensure that all stability plates are firmly in position to prevent the rack from toppling.
- Ensure that only one enclosure is in the service position at a time.
- Ensure that the cables at the rear of the system unit do not catch or bind as you pull the system unit forward in the rack.
- When the rails are fully extended, the rail safety latches lock into place. This action prevents the system from being pulled out too far.
- Remove the shipping screws, if they are not removed already.
-
Release the side latches
by
pressing them downward and then outward as shown in Figure 8.
-
Slide out the system unit
from the
rack.
Figure 8. Placing the enclosure in service position 
-
Remove the service access cover.
- Ensure that you have the electrostatic discharge (ESD) wrist strap attached. If not, attach it now.
-
Push the release latches
in the
direction shown.
-
Slide the cover
off the system unit. When the front of the service access cover has cleared
the upper frame ledge, lift the cover up and off the system unit.
Figure 9. Removing the service access cover 
-
Remove the safety cover.
- Ensure that you have the electrostatic discharge (ESD) wrist strap attached. If not, attach it now.
-
Loosen the thumbscrew
located at the rear of the cover, by turning it in the direction shown in
Figure 10.
-
Slide the safety cover
toward the rear of the system. When the front of the cover has cleared the
upper frame ledge, lift the cover up and off the system.
Figure 10. Removing the safety cover 
Removing the CEC enclosure I/O backplane
About this task
To remove the CEC enclosure I/O backplane, complete the following steps:
Procedure
- Ensure that you have the electrostatic discharge (ESD) wrist strap attached. If not, attach it now.
-
Remove the RAID assembly.
-
Loosen, but do not remove the recessed shipping screws
in the
RAID assembly by using a 4 mm Allen wrench, as shown in Figure 11.
Figure 11. Loosening the shipping screws 
- Turn the thumbscrews in the direction shown. See Figure 12.
-
Pull out the latches and remove the RAID assembly from the system, as shown in Figure 12.
Figure 12. Removing the RAID assembly from the system 
-
Loosen, but do not remove the recessed shipping screws
-
Label and remove the front fans.
-
Rotate the fan handle
in the direction that is shown in Figure 13 to unlock the fan from its slot.
- Hold the fan handle and using your hand to support the bottom of the fan, pull out the fan from its slot.
- Place the fan on the ESD mat.
- Repeat step 3 for the remaining front fans.
Figure 13. Removing the front fan 
-
Rotate the fan handle
- Assemble the supplied system backplane support stand. Refer to the assembly instructions that were shipped with this FRU. The system backplane that is removed must be placed on the support stand to protect its electrical connectors.
-
Remove the system backplane.

-
Loosen, but do not remove the four captive screws
by using
a 4 mm Allen wrench. See Figure 14.
Figure 14. Unscrewing the system backplane 
-
Raise the system backplane handles
on the
sides of the backplane as shown in Figure 15.
-
Unscrew the two thumbscrews
and
rotate the brackets up 45 degrees.
Figure 15. Preparing the system backplane for removal 
-
Grasp the handles and lift the system backplane out of the system as shown in Figure 16.
Figure 16. Lifting the system backplane out of the system 
- Place the system backplane on the support stand to keep the connectors on the bottom of the backplane suspended off the ESD mat.
-
Loosen, but do not remove the four captive screws
-
Label and remove the adapters in
locations C2 (if present), C3 (if present), C7, C8, C10, C11, and C12 (if present). See Table 2.
-
Unscrew the thumbscrews
in the direction that is shown
in Figure 17. Rotate the I/O access latches
to the open position as
shown.
-
Carefully grasp each adapter or filler
by its top edge or tailstock,
and remove them from their slots, as shown in Figure 17.
- Place the adapters on the ESD mat.
Attention: A pin on the tailstock of the adapter resembles a removable screw. Do not remove this pin. It is required for correct alignment and seating.Table 2. CEC enclosure I/O backplane adapters Location code Part name Remarks Un-P1-C2 CEC enclosure PCIe two-port card Remove if present. Un-P1-C3 CEC enclosure PCIe two-port card Remove if present. Un-P1-C7 CEC enclosure RS-485 serial-interface card Un-P1-C8 CEC enclosure PCIe two-port card Un-P1-C10 CEC enclosure PCIe two-port card Un-P1-C11 CEC enclosure Ethernet adapter Un-P1-C12 CEC enclosure Ethernet adapter, 10 Gb and 1 Gb Remove if present. Figure 17. Removing a PCIe adapter 
-
Unscrew the thumbscrews
- Remove the fillers from locations C1, C2 (if present), C3 (if present), C4, C9, and C12 (if present).
-
Remove the I/O voltage regulator module.
- Unscrew the captive thumbscrew until fully loose, as shown in Figure 18.
- Pull out the I/O voltage regulator module from the slot by holding the card bracket and by supporting the bottom of the card.
- Place the I/O voltage regulator module on the ESD mat.
Figure 18. Removing the I/O voltage regulator module 
-
Observe the routing of the I2C cable around the I/O voltage regulator module slot. Refer to
Figure 19.
Figure 19. Routing of the I2C cable around the I/O voltage regulator module slot 
-
Remove the I2C interface card assembly P1-C6 and lay the card carefully across the PCIe slot
baffles. This allows access to the I2C connector. Carefully grasp the adapter
by its
top edge or tailstock, and remove adapter from the slot, as shown in Figure 20.
Note: If you are removing a low-profile (short) PCIe adapter, disengage the adapter by pushing in the tailstock while you are lifting the adapter out of the slot.Figure 20. Removing a PCIe adapter 
- Disconnect the I2C cable from the I2C interface card assembly.
- Disconnect the I2C cable from the service processor card, P1-C5.
- Remove the I2C cable from the CEC enclosure.
- Place the removed adapter and cable assembly on an approved ESD surface.
-
Remove the service processor card.
- Pull out the service processor card from the slot by holding the card bracket and by supporting the bottom of the card.
- Place the service processor card on the ESD mat.
Figure 21. Removing the service processor card 
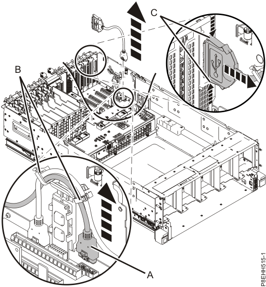
-
Press the latch of the front USB cable
and
unplug the cable from the I/O backplane. Remove the cable from the retainer clips
and
.
Carefully pull the cable out of the I/O backplane and move the cable out of the way. See Figure 22.
Figure 22. Unplugging the USB cable 
-
Label and remove the rear USB cable.
-
Unplug the rear USB cable
from the I/O backplane as shown in Figure 23.
-
Remove the cable from the retaining clips
.
-
Remove the USB cable from the rear of the system by pressing the latches
of the cable and
pulling it out of the system.
Figure 23. Removing the rear USB cable 
-
Unplug the rear USB cable
-
Grasp the VPD card
by the housing and pull it out of its slot in location P1-C14 on the I/O
backplane, avoiding the USB cables as shown in Figure 24.
Figure 24. Removing the VPD card 
-
Loosen the four captive screws that secure the sides of the I/O backplane by using a #1
Phillips screwdriver. Loosen the two captive screws in the center of the I/O backplane by using a 4
mm Allen wrench, as shown in Figure 25.
Figure 25. Unscrewing the I/O backplane 
-
Unscrew the three captive screws in the front of the I/O backplane by using a #1 Phillips
screwdriver. Grasp the sides of the I/O backplane and lift it out of the system, as shown in Figure 26.
Figure 26. Removing the I/O backplane 
Replacing the CEC enclosure I/O backplane
About this task
To replace the CEC enclosure I/O backplane, complete the following steps:
Procedure
- Ensure that you have the electrostatic discharge (ESD) wrist strap attached. If not, attach it now.
-
Grasp the sides of the I/O backplane and place it in the system. Tighten the three captive
screws in the front of the I/O backplane by using a #1 Phillips screwdriver, as shown in Figure 27.
Figure 27. Replacing the I/O backplane 
-
Tighten the four captive screws that secure the sides of the I/O backplane by using a #1
Phillips screwdriver. Tighten the two captive screws in the center of the I/O backplane by using a 4
mm Allen wrench, as shown in Figure 28.
Figure 28. Tightening the I/O backplane screws 
-
Insert the VPD card
into its slot in location P1-C14 on the I/O backplane, avoiding the USB
cables as shown in Figure 29.
Figure 29. Replacing the VPD card 
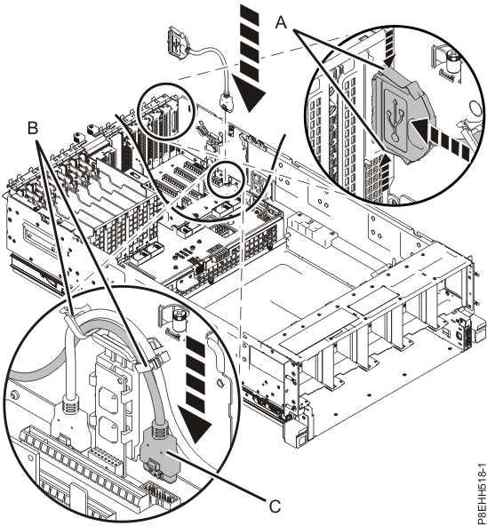
-
Replace the rear USB cable.
-
Squeeze latches
and push the rear USB cable connector into the slot on the rear of the
system until it latches into place as shown in Figure 30.
-
Replace the cable into the retaining clips
.
-
Plug the USB cable
onto the I/O backplane.
Figure 30. Replacing the rear USB cable 
-
Squeeze latches
-
Route the front USB cable through the I/O backplane and plug the cable
onto the I/O
backplane. Secure the cable in the retaining clips
and
, as shown in Figure 31.
Figure 31. Plugging the front USB cable onto the I/O backplane 
-
Replace the service processor card. Align the service processor card with the guide rails on
the system and slide the card into the slot, as shown in Figure 32.
Figure 32. Installing the service processor card 
- Route the I2C cable around the I/O voltage regulator module slot to the service processor card, as observed in the previous section. Refer to Figure 33.
- Connect the I2C cable to the service processor card.
- Connect the I2C cable to the I2C interface card assembly.
- Carefully grasp the adapter (I2C interface card assembly) by its top edge or tailstock, and align the adapter with the slot and its connector on the system backplane, as shown in Figure 34.
-
On the CEC enclosure, press the adapter firmly into place.
Note: The I2C interface card assembly uses a PCIe slot but does not attach to a PCIe connector. It is held in place by the tailstock only.
-
Ensure that the tailstock notch engages with the pin on the system's chassis. See
in Figure 34.
Figure 33. Routing of the I2C cable around the I/O voltage regulator module slot 
Figure 34. Replacing the PCIe adapters 
-
Replace the I/O voltage regulator module.
-
Align the I/O voltage regulator module
with the guide rails on the system, as shown in
Figure 35.
- Insert the I/O voltage regulator module into the connector.
- Tighten the captive thumbscrew until it is secured to the system's chassis, as shown in Figure 35.
Figure 35. Installing the I/O voltage regulator module 
-
Align the I/O voltage regulator module
-
Replace the remaining adapters and fillers. See Table 3.
- Carefully grasp the adapter or filler by its top edge or tailstock, and align the adapter with the slot and its connector on the system backplane, as shown in Figure 36.
- On the system, press the adapter or filler firmly into its connector.
-
To lock the adapter in its slot, rotate the adapter latch
in the direction that is shown in
Figure 36.
-
Tighten thumbscrew
in the direction shown.
Table 3. CEC enclosure I/O backplane adapters Location code Part name Remarks Un-P1-C2 CEC enclosure PCIe two-port card Replace adapter if removed (otherwise replace filler). Un-P1-C3 CEC enclosure PCIe two-port card Replace adapter if removed (otherwise replace filler). Un-P1-C7 CEC enclosure RS-485 serial-interface card Un-P1-C8 CEC enclosure PCIe two-port card Un-P1-C10 CEC enclosure PCIe two-port card Un-P1-C11 CEC enclosure Ethernet adapter Un-P1-C12 CEC enclosure Ethernet adapter, 10 Gb and 1 Gb Replace adapter if removed (otherwise replace filler). Figure 36. Replacing the PCIe adapters 
-
Replace the system backplane.

-
Lower the system backplane into the system by using the handles on the side of the backplane as
shown in Figure 37.
Figure 37. Replacing the system backplane 
-
Lower the handles
. See Figure 38.
-
Lower the hinged brackets
and tighten the thumbscrews.
Figure 38. Tightening thumbscrews and lowering handles 
-
Tighten the four captive screws
of the system backplane by using a 4 mm Allen wrench. See
Figure 39.
Figure 39. Tightening the system backplane screws
-
Lower the system backplane into the system by using the handles on the side of the backplane as
shown in Figure 37.
-
Replace the front fans into their original positions.
-
Ensure that the fan handle
is rotated open as shown in Figure 40.
- Using your hand to support the bottom of the fan, align the fan with the fan slot and slide it into the system.
-
Rotate the fan handle
in the direction that is shown and then press the fan handle until
the latch locks in place. See Figure 40.
- Repeat step 17 for the remaining fans.
Figure 40. Replacing the front fan 
-
Ensure that the fan handle
-
Slide the RAID assembly into the system. Push latches in and tighten thumbscrews, as shown in
Figure 41.
Figure 41. Replacing the RAID assembly 
Preparing the CEC enclosure for operation after removing and replacing the I/O backplane
About this task
To prepare the system for operation, complete the following steps:
Procedure
- Ensure that you have the electrostatic discharge (ESD) wrist strap attached. If not, attach it now.
-
Replace the safety cover.
-
Push the safety cover
toward the chassis.
-
Tighten the thumbscrew
by turning it in the direction shown in Figure 42 to fix the safety cover to the
chassis.
Figure 42. Replacing the safety cover 
-
Push the safety cover
-
Replace the service access cover.
-
Slide the cover
onto the system unit.
-
Close the release latches
by
pushing them in the direction shown.
Figure 43. Installing the service access cover 
-
Slide the cover
-
Place the CEC enclosure into the operating position.
CAUTION:

Pinch hazard.
- Ensure that you have the electrostatic discharge (ESD) wrist strap attached. If not, attach it now.
-
Unlock the blue rail safety latches
by
lifting them upward.
-
Push the system unit
back into the rack until both system unit release latches lock into
position.
Note: Slide the system unit slowly into the rack to ensure that your fingers do not get caught in the side rails. - Secure the enclosure to the rack with screws, if screws were removed when preparing the enclosure for service.
Figure 44. Placing the CEC enclosure into the operating position 
-
Replace the front cover.
- Ensure that you have the electrostatic discharge (ESD) wrist strap attached. If not, attach it now.
-
Position the cover
on the front of the system unit so that the four pins
on the
system match the four holes at the rear of the cover.
-
Press the tabs
to snap the cover into position.
Figure 45. Installing the front cover 
- Attach the electrostatic discharge (ESD) wrist strap.
-
Reconnect all cables, except for power cords. See Table 4 and Figure 46.
If optical Ethernet connections are used, use proper cleaning procedures.Important: The optical cable plugs (LC connectors) and ports (SFPs) must be cleaned before connecting them. Use cleaning tool 54Y4392 or IBM-approved alternative. After cleaning SFPs with the tool, use air bulb 45D2645 or IBM-approved alternative. For detailed procedures, refer to current DS8000 Info Alerts or contact your next level of support.
Table 4. CEC enclosure cable connections Connection Description P1-C2-T1, P1-C2-T2 PCIe to I/O enclosures (if C2 present) P1-C3-T1, P1-C3-T2 PCIe to I/O enclosures (if C3 present) P1-C5-T4 (HMC port 1) FSP Ethernet P1-C5-T5 (HMC port 2) FSP Ethernet P1-C6-T1, P1-C6-T2 i2c to RPCs P1-C7-T1, P1-C7-T2 RS485 to RPCs P1-C8-T1, P1-C8-T2 PCIe to I/O enclosures P1-C10-T1, P1-C10-T2 PCIe to I/O enclosures P1-C11-T1, P1-C11-T2 LPAR Ethernet P1-C11-T3, P1-C11-T4 Customer network (optional feature, if used) P1-C12-T1, P1-C12-T2
P1-C12-T3, P1-C12-T4Customer network (optional feature, if used) -
Replace filler plugs (if removed) at the rear of the CEC enclosure. See Figure 46.
- Replace the filler plugs in USB ports P1-T1, P1-T2, P1-C5-T1, P1-C5-T2 and serial port P1-C5-T3.
- Replace the filler plugs in Ethernet ports P1-C11-T3 and P1-C11-T4.
- Replace the filler plugs in Ethernet ports P1-C12-T1, P1-C12-T2, P1-C12-T3, and P1-C12-T4.
Figure 46. CEC enclosure location codes (rear view) (Models 982, 988) 
-
Reconnect the power cords
to the
CEC enclosure. See Figure 47.
-
Fasten the power cords to the enclosure using the hook-and-loop fasteners
.
Figure 47. Connecting the power cords 
-
Verify that the CEC enclosure has power available. See Figure 48.
- At the rear of the CEC enclosure, view the CEC enclosure power supply DC LEDs.
-
Are all DC (output) LEDs flashing?
- Yes, continue with the next step.
- No, ensure the power cords are properly connected. If no connection problem is found, contact your next level of support.
Figure 48. Location of the power supplies and LEDs (Model 982, 988) 
-
Wait up to 5 minutes for the CEC enclosure control panel power-button LED
to flash.
See Figure 49.
Note: This ensures the CEC enclosure is in the power-off state.Is the power-button LED flashing?
- Yes, go to the next step.
- No, ensure the CEC enclosure power supplies are fully seated. The possible failing FRUs are the CEC enclosure system backplane, I2C interface card and cables, and control panel. You can also call the next level of support.
Figure 49. Control panel LEDs 
- Close the rear door of the rack.
- Exit this service information center parts exchange procedure and return to the procedure that sent you here.